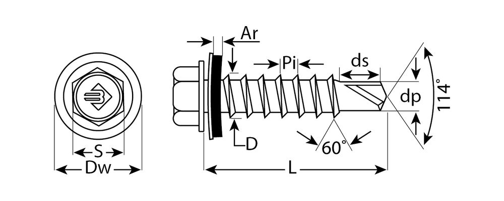
Кровельные саморезы изготовлены из стального прутка с высоким содержанием углерода. Контроль за геометрией самореза начинается с калибровки прутка и заканчивается тщательной проверкой размеров готового изделия. Нормативная твердость стали достигается термической обработкой. Поверхностная твердость мин. 560HV, твердость в сердцевине 240-425HV. Шайба с прокладкой EPDM плотно прижимается к кровельному материалу, герметизируя просверленное отверстие. Шестигранная головка выдерживает большой крутящий момент и значительно облегчает вкручивание самореза. Геометрические размеры: диаметр шайбы (Dw) - 13.90-14.15мм, толщина прокладки (Ar) - 2мм, Размер под ключ (S) - 7.8-7.9мм, диаметр резьбы (D) - 4.75-4.95мм, диаметр сверла (dp) - 2.8-2.9мм, длина сверла (ds) - 4.0-4.8мм, шаг резьбы (Pi) - 2.12мм.
Преимущества
- Прокладка EPDM сохраняет свои свойства при частых изменениях нагрузок, температуры и воздействии УФ излучения
- Окраска головки с шайбой выполнена методом порошкового напыления. Cтандарт RAL поможет безошибочно подобрать саморезы под цвет кровельных материалов.
- Улучшенная геометрия сверла обеспечивает быстроту и легкость сверления в черепице и листовых кровельных материалах
- Цинковое покрытие надежно защищает от коррозии
Использование
Для крепления кровельных материалов к деревянной обрешетке (металлическим конструкциям)
Получить товар в Воронеже можно следующими способами:
1. Забрать из пункта выдачи ТК "Деловые линии" по адресу ул. Брусилова, д.4Б. Время в пути от 1 дня. Стоимость доставки "Деловыми линиями" от 762 ₽.
2. Доставка «до дверей» по г. Воронежу согласовывается в индивидуальном порядке с персональным менеджером. Доставка от склада Ситомо до транспортных компаний в г. Москва осуществляется бесплатно.
Рекомендуемые перевозчики:

- Оплата по ссылке или QR-коду, которые менеджер отправляет на электронную почту
- Товар бронируется на 3 рабочих дня после оформления заказа
- После оплаты клиент получает чек от платежной системы и УПД
- Оплата по счету (безналичный расчет)
- Для российских организаций работаем с НДС
- После оплаты отправляется товар с полным комплектом документов (УПД, счёт-фактура при необходимости)
- Работаем без НДС